| 注意:访问本站需要Cookie和JavaScript支持!请设置您的浏览器! • 打开购物车 • 查看留言 • 付款方式 • 联系我们 |
![]() |
| 首页 | 电子入门 | 学单片机 | 免费资源 | 下载中心 | 商品列表 | 象棋在线 | 在线绘图 | 加盟五一 | 加入收藏 | 设为首页 |
| 选择分类:当前分类——自制仪表 相关联或者相类似的文章: 常用NMEA-0183语句字段定义解释(915) 数字万用表套件830B制作说明(890) GPS接收机射频前端电路原理与设计 (889) ss570122的雕刻机制作过程(2)(861) 高频信号发生器的操作技能(851) ss570122的雕刻机制作过程(1)(797) ss570122的雕刻机制作过程(4)(723) 单片式晶体管速测仪(634) ss570122的雕刻机制作过程(5)(633) 发布第一版TA8435超限电流(2.5A)控制板(628) ss570122的雕刻机制作过程(完)(615) 修边机专用夹头制作过程(真正的制作)(603) 学会看NMEA-0183数据协议代码 (551) 自制亚微秒脉冲幅值测试仪(495) ss570122的雕刻机制作过程(6)(476) 串联型稳压电源(475) ss570122的雕刻机制作过程(7)(422) yudongyang制作的雕刻机(402) ss570122的雕刻机制作过程(3)(385) 电视方格信号发生器(早已经断货)(280) 首页 前页 后页 尾页 本站推荐: | ss570122的雕刻机制作过程(7)
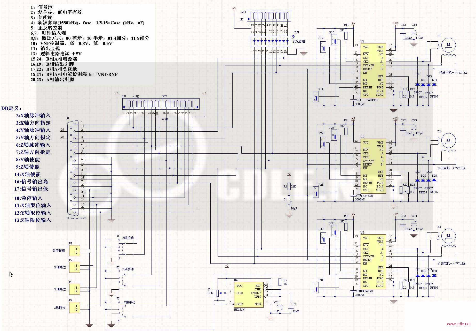
继续雕刻机的制作过程(发布第一版TA8435超限电流(2.5A)三轴驱动板图及简要说明)点击查看相关文章 TA8435三轴驱动板原理图
TA8435三轴驱动板PCB图
简要说明: 1、TA8435H是东芝公司生产的单片正弦细分二相步进电机驱动专用芯片,TA8435H可以驱动二相步进电机,且电路简单,工作可靠。该芯片还具有以下特点: 工作电压范围宽(10V~40V);输出电流可达1.5A(平均),和2.5A(峰值)(改造后可达2.5A,风扇强制冷却);具有整步、半步、1/4细分、1/8细分运行方式可供选择;采用脉宽调制式斩波驱动方式;具有正/反转控制功能;带有复位和使能引脚可选择使用单时钟输入或双时钟输入。 和L297+L298比较:线路元件少,调试简单,真正细分,最大1/8细分,低速运行震动噪音小。
3、PCB板图TA8435的17、18、19、23管脚是走大电流的,由于排列走线较细,所以网友自己在焊接好元件后要单独在板子背面用硬线将细线段加粗,否则电机会欠电流工作。 4、R12、R13是电机电流检测电阻,其阻值决定最大工作电流,如果你电机电流不超过1.5A,则可选用0.5欧。芯片加普通散热片即可。 如果你想突破1.5A电流极限,则电阻选用如下: 当TA8435H的10脚接高电平时 电机电流2A R12/R13 电阻值选0.4欧(TA8435H加风扇强制冷却) 电机电流2.5A R12/R13 电阻值选0.32欧(TA8435H加风扇强制冷却) 5、使用Mach2软件或其它不使用使能控制的软件时 ,将TA8435使能脚(3脚)接低电平,使之总有效。 6、跳线设置在原理图上有详细标注,网友自己查看。 我发布的TA8435H第一版三轴控制板也可以实现半流控制了,不过在介绍之前先让网友看一下我的TA8435H三轴控制板和SLA7062M单轴控制板组装好的实体图,你可不要眼红啊。 大的是TA8435H三轴控制板,三块小的是SLA7062M单轴控制板
这是我原来用热转印法做的旧板和新板的对比图
我发布的TA8435H第一版三轴控制板也可以实现半流控制了,不用改动原板子的任何元件和电路,只是在调整电机电流的P11、P21、P31跳线接一块补充板即可,我的补充板全是采用贴片元件,所以体积不大,只有20×12mm,插三块即可实现半流控制。 如果原电路取样电阻是0.5欧,则有脉冲时全流工作1.8A,无脉冲时半流工作1.0A(严格说不是半流),这样步进电机长时间工作也不会太热。 下面是补充板单轴插板的原理图
下面是补充板单轴插板的PCB图
这是补充板插在原板子的三个位置
这是我用热转印法已经制作好的补充板空板,
这是用贴片元件焊好后的补充板
这是带有半流控制控能的TA8435H三轴控制板,只是将半流控制三块补充板插到P11、P21、P31三个跳线头上,再接一根脉冲线即可
这个补充电路是送给已经是用过我发布的第一版TA8435H三轴控制板,自己动手作过并调试成功有一定DIY基础的网友。 因为线路很简单,PCB板也简单,我就不上protel文件了,感兴趣的网友自己照着做,我就不逐一解答了 。 http://program.aeeboo.com/43179.html 这是采用24V电压的测试视频演示 http://program.aeeboo.com/43180.html 这是采用36V电压的测试视频演示(这个一定要看) http://program.aeeboo.com/43183.html 这是作线路板绘制视频演示(这个一定要看) http://program.aeeboo.com/43185.html 这是作张大千书法绘制视频演示 http://program.aeeboo.com/43184.html 单轴SLA7062M板子试验情况通报
这是我装完所有元件后的SLA7062M驱动板图,其实采用贴片元件还是不错的,体积小,规整
这是焊接好的成品板
SLA7062M驱动电流取样的控制电压调整很重要,要和所配接的电机相适应,我用C++Builder编了一个小程序,可以任意模拟调整几个相关元件的参数,并看到其控制电压和驱动电流的实际变化,节省了不少调试时间。 这是芯片全流工作时的控制电压及驱动电流计算值
这是芯片半流工作时的控制电压及驱动电流计算值
这是将电阻R14和R15改成10K是的电流变化情况,确实很方便,不用在电路上试验,也不用烦琐的计算,只是在软件上添几个数,拖拖鼠标,几秒钟你想知道的结果就出来了。
1、 本站不保证以上观点正确,就算是本站原创作品,本站也不保证内容正确。 2、如果您拥有本文版权,并且不想在本站转载,请书面通知本站立即删除并且向您公开道歉! |
|
本站协议 |
版权信息 |
关于我们 |
本站地图 |
营业执照 |
发票说明 |
付款方式 |
联系方式
深圳市宝安区西乡五壹电子商行——粤ICP备16073394号-1;地址:深圳西乡河西四坊183号;邮编:518102 E-mail:51dz$163.com($改为@);Tel:(0755)27947428 工作时间:9:30-12:00和13:30-17:30和18:30-20:30,无人接听时可以再打手机13537585389 |