|
微弱信号检测是随着工程应用而不断发展的一门学科,是利用电子学、信息论和物理的方法,分析噪声产生的原因和规律,研究被测信号的特点与相关性,采用一系列信号处理的方法,检测被噪声背景淹没的微弱信号。强噪声背景下微弱信号处理是现代信号处理技术中的一项综合技术和尖端领域,运用这种技术使得微弱量(如弱光、小位移、微振动、弱声及微电流等)的检测成为可能,大大提高了微弱信号检测的精度。 对信号的预滤波处理则成为了提高其准确度的关键要素,本文就是基于这样的思想,利用MAX260设计出具有良好效果的预滤波器。
模拟信号处理系统 假定接收到的信号已经通过频率转换变为基带信号。为了防止未知的噪声信号使放大器饱和,通常进行多级放大。先将输入的基带信号通过滤波器提取出我们感兴趣的频段,并抑制一定的噪声。通过两级滤波放大,已经将隐藏在噪声中的微弱信号变为适当幅度的平稳信号,为后续的A/D变换、LCD显示等信号处理打下良好的基础。这个过程就构成了信号滤波放大系统,原理框图如图1所示。
 图1 模拟信号处理系统框图
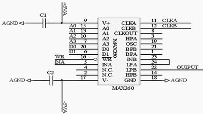
器件的选择与应用 很多情况下我们要处理频率接近于零频的微弱信号,比如人体呼吸及心跳所产生的频率(0.03Hz~3.3Hz),因此在选择滤波器件时,要求该滤波器具有很低的中心频率范围以及陡峭的过渡带,这就对器件提出了很高的要求。 可编程开关电容滤波器MAX260 MAX260是Maxim公司的CMOS双二阶通用开关电容有源滤波器,可以采用微处理器控制其精确滤波器函数,无需外围元件即可构成多种带通、低通、高通、带阻、全通滤波器,其内部含有两个二阶滤波单元,每个单元中心频率、Q值、滤波器工作模式均可由程序设置。MAX260具有如下特点:微处理器接口、64步中心频率控制、128步品质因数控制、独立的中心频率和品质因数编程、保证时钟频率f0对比值精度为1%、单+5V或?V电源电压工作以及0.01Hz到7.5kHz的中心频率范围。并且与数字滤波器相比,处理速度快、整体结构简单。 图2为一个用MAX260设计的带通滤波器。该滤波器由低通滤波器和高通滤波器设计组成。其参数信号(CLKA、CLKB、A1~A0、D3~D0、)的输入均可由CPU控制设置。将滤波器A设置为一个切比雪夫低通滤波器,滤波器B设置为一个切比雪夫高通滤波器,CLKA与CLKB分别为低通滤波器与高通滤波器的时钟输入信号,可根据不同的滤波器参数设置不同的频率,信号引脚控制地址位与数据位的更新。具体参数设计可以利用Maxim的滤波器设计软件,可极大的简化采用MAX260构成多种有源滤波器的设计过程。 高精度斩波稳零运算放大器TLC2652 斩波稳零型运算放大器提供了一种解决微弱信号放大问题的廉价方案。TLC2652和TLC2652A是德州仪器公司的高精度斩波稳零运算放大器。在TLC2652中,内部时钟使放大器以450Hz的频率校零。在8引脚封装的芯片中,这个频率是不可调的。这时,电路中的负反馈电阻要选的大些,以使箝位发挥作用时电路的增益下降得更多。当然,使用CLAMP引脚后,电路的输出幅度会略有减小。斩波稳零的工作方式使TLC2652具有优异的直流特性,失调电压及其漂移、共模电压、低频噪声、电源电压变化等对运算放大器的影响被降低到了最小。低频信号经过两个放大器放大,电路可以获得极高的增益,这在需要精密高增益放大的电路中是十分有用的。由于使用了LinCMOSTM工艺和低噪声的MOSFET,输入噪声被大大减小。TLC2652非常适合用于微弱信号的放大。

图2 带通滤波器
 图3 TLC2652典型正相放大电路
从理论上讲,为了尽量展宽电路的频带,斩波频率fc应越高越好,但fc的提高又会造成严重的尖峰效应,使斩波器漂移增大,所以通常fc?0kHz。这就是导致斩波稳零运算放大器频带窄的原因。TLC2652的过载恢复时间是比较短的(30ms左右),如要进一步减小恢复时间,可以使用电路的CLAMP引脚。TLC2652在作直流微信号放大时,为了进一步减小交流干扰,可以在输出端加接一个低通滤波器,以滤除输出电压中的交流分量,使输出电平更加稳定。图3为TLC2652典型正相放大电路。 在元件的选择中需要特别注意的是,电路中的两个记忆电容C3和C4必须使用绝缘电阻很高的优质电容器。例如,聚酯薄膜电容器、聚苯乙烯电容器、聚丙烯电容器等可以作为记忆电容器,容量可以从0.1F至1F中选择,电容的一端接到C3或C4引脚,另一端接至VDD-或C RETURN引脚。在一些斩波稳零运算放大器中把记忆电容接至VDD-引脚会增加噪声,而TLC2652则没有这种问题。TLC2652是高精度放大器,往往在输入电压为微伏量级的情况下高增益工作。要保证放大器的精度,需要注意两个方面:一是负反馈电阻必须有足够的精度,并且电路的闭环增益不能太大;二是必须提高印制板的质量,防止印制板表面的漏电流。
结语 强杂波背景下低频微弱信号处理是信号处理领域的难点同时也是热点。在处理完模拟预滤波后还需要注意在进行后续处理(如进行A/D转换)时,放大器采用直接耦合方式,加隔直电容会衰减有用的极低频率成分。实验结果表明可编程开关电容滤波器MAX260以及高精度斩波稳零运算放大器TLC2652可以很好的实现低频微弱信号的滤波放大处理。低频微弱信号的模拟预处理在信号处理过程中起到了非常重要的作用,各种性能优良的测量仪器不断推出,大大提高了微弱信号检测的精度。 |