注意:访问本站需要Cookie和JavaScript支持!请设置您的浏览器! 打开购物车 查看留言付款方式联系我们
初中电子 单片机教材一 单片机教材二
搜索上次看见的商品或文章:
商品名、介绍 文章名、内容
首页 电子入门 学单片机 免费资源 下载中心 商品列表 象棋在线 在线绘图 加盟五一 加入收藏 设为首页
本站推荐:
浅谈调频发射机的制作及调试
文章长度[2836] 加入时间[2007/1/4] 更新时间[2026/3/17 12:13:18] 级别[0] [评论] [收藏]

作者:琳富 来源:《电子制作》

  在五花八门的无线电制作项目中,调频发射机一直受到众多爱好者的青睐,然而这方面的制作涉及到一些高频技术,使得不少初学者在制作调试中被诸如停振、干扰、跑频、失真等一系列故障搞得心烦意乱,乃至放弃。本文以手边的"FT3S调频发射机套件电路为例,详细地向读者介绍FM发射机的装调经验及常见故障的排除方法,希望对读者略有帮助。
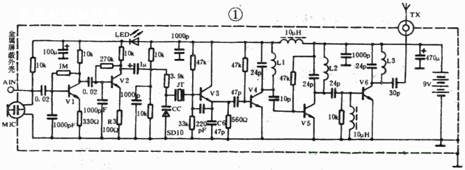
  简易型无线话筒是无线发射机的一个典型,虽然以其“一装即成”的优点博得众多读者的欢心。然而电路中。引起的严重频率飘移将会令我们难以忍受。图1电路采用的晶体振荡器有效地避免了“跑频”这一致命弱点;倍频放大器将工作频率设置在普通收音机可接收的频段上;同时多级高频放大器把射频功率提升到80mW水平以实现较远距离的发射。

  元器件选用
  
所有部件型号参数见图1;1.微型色码高频电容为首选对象,并采用卧式安装以减小引线电感造成的影响;2.JT选用标称频率为49.860MHz的泛音式晶体,对于不同的输出功率要求,可根据实际情况选择用其它频点;3.L1、L2、L3为倍频及高频放大器谐振电感,建议选用Φ0.8mm镀银线在4.0mm骨架上绕制,匝数分别为5T、4T、5T;Vl、V2决定着高频级的噪声系数及增益,可选用β值在300左右的低噪管,如C945、C9014等;V3-V5要求β100-120间,fT>500MHz,C1975、C9018等均可择用。V6要求β=100,fT>800MHz,Pc>500mW的高频中功率管,如C2581、D40、C2053,对输出功率要求不高时,还可将其省去。TX可选用拉杆天线或1.5m软导线,当工作频率为100MHz时75cm长度为理想值。
  制作调试
  
自制前应先集齐所有元件,并对其质量及参数进行细心的检测,再根据所需的体积设计一款合适的线路板。总而言之,良好的元件质量、合适的印板布局是有效提高自制成功率的保证,主要调试步骤如下:
  一、将所有元件连同天线一并焊在印板上,对安装焊接工艺要求是:尽量缩短高频部分元件引线;电阻、电容尽可能卧式安装,并无虚焊、脱焊现象。

  二、参照图2临时搭焊一个简易场强计配合调试。
  三、给发射机通电,电压为9V。场强计引线与天线相距5cm,反复调节L1、L2、L3匝间距离以使场强计示数增至最大,必要时对各级的谐振电容进行调节。

  四、通过在小幅度内修改天线长度,使场强计示数继续增大,并注意调整时,发射天线应避免与人体或金属接触。
  五、最后将电路放进金属屏蔽罩进行固定,并将地线与外壳连通。
  以上的调试过程看似比较简单,但并不是每位读者都能顺利地完成,或多或少会遇到某些困扰,下面介绍一些在实际制作中常常出现的问题及解决方法:

  一、近距离使用时,特别拾取强度较高的信号时,收音机存在严重的啸叫声或失真。这是由于音频放大级增益很高,同时配用的驻极体话筒又具有较高的拾音灵敏度所引起。解决方法很简单:只需将R3的阻值增至820Ω。
  二、用AIN接口输入音源信号时,收音机输出声音小且伴有交流声。这类问题,相信很多曾自制中功率高频发射机的朋友都经历过。原因之一:由于使用了滤波效果差的整流电源所引起,但若改用电池供电仍不能解决问题,就可能是因为高频信号过强,干扰音源(如CD、Walkma等)中的放大电路,致使输出音频受到污染所致,可通过以下方法改善:1,尽量缩短音频输入引线;2,在发射机与音源二条连线中各串联一个10uH高频电感;3,对音源进行屏蔽隔离;4,最直接而有效的方法应是减小输出功率或缩短发射天线,在近距离传输且需要保真度较高的 场合下可考虑使用此法。
  三、不起振或振荡弱;此故障表现在用收音机在整个波段内接收不到静噪声,输出功率小,若能保证元件的质量,以下步骤可助你排除故障:1,在CC两端并联一个7pF电容(注意:该电容不可过大,否则你会发现调制失效);2,调振荡级偏置电阻;3,改变C6容量一试,如果上述方法不能解决,也有可能是元件布局不合理引起,可重新对电路板进行布线。
  四、发射距离近:这类问题除了常见的天线放置不当、接收收灵敏度低、使用环境有高大建筑物等原因外,另一方面是由于振荡弱所引起,故仍有必要参考上述的操作增加晶体振荡器输出强度。还有一原因可能是倍频器工作频率并非调在收音机接收范围内,实际上收音机接收到的只是微弱的谐波信号,其表现在虽然场强计示数较大但有效发射距离很小,不到100米(正常条件下,配合良好的收音机,开阔地有效距离约为500—800米)。对于无频率测量仪器的爱好者来说,要解决这类问题,除谐振电感,电容应严格按照以上参数选用外,有时还需要读者的一份细心和耐心,相信自己,经过多次的调整后,你是会解决所有困难的。

1、 本站不保证以上观点正确,就算是本站原创作品,本站也不保证内容正确。
2、如果您拥有本文版权,并且不想在本站转载,请书面通知本站立即删除并且向您公开道歉! 以上可能是本站收集或者转载的文章,本站可能没有文章中的元件或产品,如果您需要类似的商品请 点这里查看商品列表!
本站协议 | 版权信息 |  关于我们 |  本站地图 |  营业执照 |  发票说明 |  付款方式 |  联系方式
深圳市宝安区西乡五壹电子商行——粤ICP备16073394号-1;地址:深圳西乡河西四坊183号;邮编:518102
E-mail:51dz$163.com($改为@);Tel:(0755)27947428
工作时间:9:30-12:00和13:30-17:30和18:30-20:30,无人接听时可以再打手机13537585389