| 注意:访问本站需要Cookie和JavaScript支持!请设置您的浏览器! • 打开购物车 • 查看留言 • 付款方式 • 联系我们 |
![]() |
| 首页 | 电子入门 | 学单片机 | 免费资源 | 下载中心 | 商品列表 | 象棋在线 | 在线绘图 | 加盟五一 | 加入收藏 | 设为首页 |
| 选择分类:当前分类——音响功放 相关联或者相类似的文章: 简易音频集成功率放大器(1423) ++ 30W功率放大器的制作 +(933) C语言在单片机开发中的应用 (741) 巧用STK3048A制作前置放大(718) 音响发烧“土炮”的自画像(搞笑)(494) 18W D类单片音频放大器TDA7481(326) 自制2.1声道多媒体音响系统(262) 100W纯直流高保真功放(196) Hi-Fi配音控制放大器制作(176) 双50W数字功放TDA8902J(146) LM386功放集成电路的应用(127) 国外汽车音响的新技术(44) TDA2030A装的18W单声道功放板(-8) 图示均衡器的使用技巧(-14) Hi-Fi功放设计要点(-34) 用TDA7294推动的功放(-72) LM1875带音调双22W功放板(-120) 首页 前页 后页 尾页 本站推荐: | Hi-Fi配音控制放大器制作
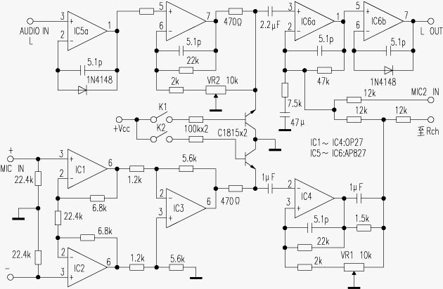
该配音控制放大器适合于文艺团体作朗诵以及婚庆录像刻入光盘过程中话音与音乐的混音用途。 1、 本站不保证以上观点正确,就算是本站原创作品,本站也不保证内容正确。 2、如果您拥有本文版权,并且不想在本站转载,请书面通知本站立即删除并且向您公开道歉! |
|
本站协议 |
版权信息 |
关于我们 |
本站地图 |
营业执照 |
发票说明 |
付款方式 |
联系方式
深圳市宝安区西乡五壹电子商行——粤ICP备16073394号-1;地址:深圳西乡河西四坊183号;邮编:518102 E-mail:51dz$163.com($改为@);Tel:(0755)27947428 工作时间:9:30-12:00和13:30-17:30和18:30-20:30,无人接听时可以再打手机13537585389 |