| 注意:访问本站需要Cookie和JavaScript支持!请设置您的浏览器! • 打开购物车 • 查看留言 • 付款方式 • 联系我们 |
![]() |
| 首页 | 电子入门 | 学单片机 | 免费资源 | 下载中心 | 商品列表 | 象棋在线 | 在线绘图 | 加盟五一 | 加入收藏 | 设为首页 |
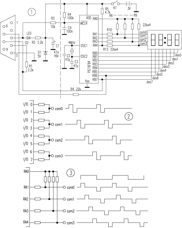
| 选择分类:当前分类——学单片机 相关联或者相类似的文章: 三十分钟一个小时学会单片机(9045) 什么是单片机?单片机有什么用? (8723) 如何用STC板将代码烧录进IC(8681) 怎样安装AT51编程板的USB转串口软件?(8206) 送给单片机爱好者——LED在线编码器(1814) 送给单片机爱好者——LED点阵在线编码器(1544) 单片机系统中的汉字显示(1492) 带语音报数功能的抢答器(1489) 用VB进行串口实时数据采集(1347) 用AT89C2051设计超声波测距仪(1171) 小小电子闹钟 生活学习良伴(1165) DS1820测温原理(1129) 几句代码实现控制摄像头(转)(1117) STC单片机选型指南(1111) 自制PIC单片机编程器(1105) USB转串口芯片CH340(1010) 快速学习单片机之黄金机会!(1010) 告戒购单片机开发实验板初学者(970) 新款实用旋转LED显示屏A(890) 使用市售 USB转RS232串口与PLC通信的测试报告 (881) 首页 前页 后页 尾页 本站推荐: | 自制PIC16F84单片机学习套件 自制PIC16F84单片机学习套件 PIC16F84是初学者学习单片机的最佳选择之一。除了具有低电压、低功耗、高速度、指令少、可反复擦写等优点外,学习,开发系统不需要花数百元去购买,稍有一点基础都可以自己设计制作也是其一大特点。 1、 本站不保证以上观点正确,就算是本站原创作品,本站也不保证内容正确。 2、如果您拥有本文版权,并且不想在本站转载,请书面通知本站立即删除并且向您公开道歉! |
|
本站协议 |
版权信息 |
关于我们 |
本站地图 |
营业执照 |
发票说明 |
付款方式 |
联系方式
深圳市宝安区西乡五壹电子商行——粤ICP备16073394号-1;地址:深圳西乡河西四坊183号;邮编:518102 E-mail:51dz$163.com($改为@);Tel:(0755)27947428 工作时间:9:30-12:00和13:30-17:30和18:30-20:30,无人接听时可以再打手机13537585389 |